Skriv inn din e-post
Produkter
Finn blant alle våre produkter
Andre måter å finne på
Andre måter å finne på
Andre måter å finne på
Andre måter å finne på
Andre måter å finne på
Andre måter å finne på
Andre måter å finne på
Andre måter å finne på
Andre måter å finne på
Andre måter å finne på
Vare.nr 20124643
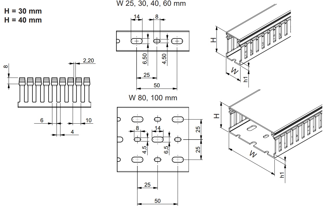
En robust kabelkanal, perfekt for industrimiljøer der pålitelig kabelhåndtering kreves. GN-A6/4 er produsert i stiv PVC med spor og leveres inkludert lokk. Hullemønster i henhold til NF EN IEC 61084 forenkler installasjon og tilpasning av kabler i ulike størrelser. Målene i betegnelsen angis som høyde × bredde. Les mer
Varianter
Kabelkanal Industri (GN-A6/4) er spesielt utviklet for krevende applikasjoner i industrielle miljøer. Produsert i stiv PVC med høy flamsikkerhet (klassifisert UL94 V0) og med arbeidstemperaturer fra -5 til +65 °C, egner denne kabelkanalen seg svært godt i miljøer der brannsikkerhet og robusthet er avgjørende. Med sin grå farge (RAL 7030) glir den naturlig inn i industrielle omgivelser og gir en diskret, men effektiv løsning for kabelhåndtering.
GN-A6/4 leveres i flere ulike dimensjoner, fra mindre kanaler på 15 × 15 mm til bredere alternativer opptil 100 × 150 mm. Dette gjør det mulig å håndtere alt fra små kabelbunter til større samlinger av kraftkabler. Sporene og lokket muliggjør fleksibel kabelføring og enkel tilgang ved behov for service eller omlegging.
GN-A6/4 har høy volumresistivitet (10¹⁵ Ω·cm) og en dielektrisk styrke på 15 kV/mm, noe som sikrer trygg kabelinstallasjon også i elektrisk krevende miljøer. Produktet er bygget for lang levetid og motstår både varme og mekanisk påvirkning, noe som gjør det til en pålitelig løsning selv under tøffe forhold. Med standardlengde på to meter, og mulighet for å kappe og tilpasse, er den enkel å håndtere og skjøte ved lengre installasjoner.


Kabelkanal Industri GN-A6/4 kombinerer pålitelig sikkerhet og praktisk fleksibilitet – den perfekte løsningen for krevende industrielle miljøer der kabelhåndtering ikke kan overlates til tilfeldighetene.
Finner du ikke riktig spesifikasjon eller har spørsmål, ta kontakt med oss på 0852400700 eller info@direktronik.se
, så hjelper vi deg.